Nov 02 , 2025
Dans le monde de l'usinage de précision, le choix entre un tour traditionnel et un tour suisse CNC peut faire une énorme différence en termes de performances, de précision et d'efficacité de production. Chez Remcor Technology, nous nous spécialisons dans l'usinage CNC Swiss tour, offrant des solutions de pointe qui dépassent les limites des méthodes de tournage traditionnelles.
Un tour traditionnel (également appelé tour manuel ou conventionnel) est une machine utilisée pour faire tourner une pièce tandis que divers outils de coupe la façonnent dans la forme souhaitée. Les opérateurs contrôlent manuellement le positionnement de l'outil, la vitesse d'alimentation et la vitesse. Bien que les tours traditionnels soient fiables pour les virages de base et les géométries simples, ils nécessitent une supervision constante de l'opérateur et sont moins efficaces pour une production complexe, de haute précision ou à grand volume.

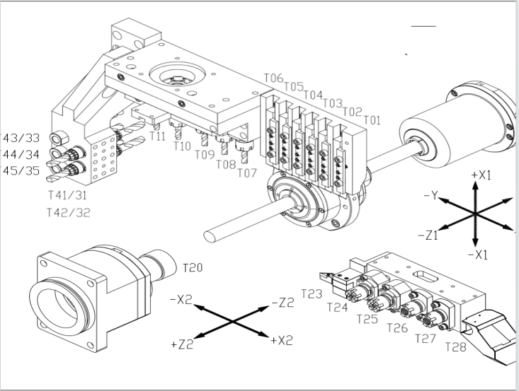
Un tour suisse CNC-également connu sous le nom de tour automatique de type suisse-est une forme avancée de technologie de tournage de précision. Dans un tour suisse CNC, la pièce est soutenue par une bague de guidage, ce qui lui permet de se déplacer le long de l'axe Z tandis que les outils de coupe fonctionnent très près du point d'appui. Cette conception minimise la déviation et les vibrations, permettant un usinage extrêmement précis et stable même pour les pièces petites, minces ou complexes.

Contrairement aux tours traditionnels, un tour suisse CNC est entièrement contrôlé par ordinateur, permettant un usinage multi-axes, des changements d'outils automatiques et un fonctionnement continu avec une intervention humaine minimale.
1. Précision et précision inégalées
Les tours suisses CNC sont conçus pour une précision au niveau du micron, ce qui les rend idéaux pour les applications médicales, aérospatiales, électroniques et de haute technologie où chaque détail compte.
2. une plus grande efficacité et productivité
Avec un contrôle multi-axes avancé et un usinage simultané, les tours suisses CNC réduisent considérablement les temps de cycle et augmentent le débit de production par rapport aux tours traditionnels.
3. finition et cohérence de surface supérieure
La conception de la bague de guidage garantit un minimum de vibrations, offrant une finition de surface sans faille et une qualité constante sur les grandes séries de production.
4. usinage de pièces complexes dans une configuration
Les tours suisses CNC peuvent effectuer plusieurs opérations-tournage, fraisage, forage, taraudage-en un seul processus, ce qui réduit le besoin d'usinage secondaire ou de manutention de pièces.
5. dépendance réduite d'opérateur
Une fois programmés, les tours suisses CNC fonctionnent automatiquement, permettant la production des lumières et minimisant l'impact des variations de compétences des opérateurs.
Le tour suisse CNC fonctionne 24 heures sans arrêt par la connexion avec le chargeur de bar, normalement 1 personne peut manipuler 5-6 machines facilement, ce qui pour réduire considérablement le travail et améliorer l'efficacité
Chez Remcor Technology, nous avons investi massivement dans des machines de tour suisses CNC à la pointe de la technologie et des systèmes d'automatisation avancés. Notre équipe d'ingénieurs experts et de machinistes possède une expérience approfondie du tournage de précision de type suisse, ce qui nous permet de fournir des composants à haute tolérance qui répondent aux normes les plus strictes de l'industrie.
Nos points forts comprennent:
• Une installation moderne équipée de tours suisses CNC haute performance
• Capacités de programmation CAO/FAO avancées pour des géométries complexes
• Systèmes de contrôle de qualité rigoureux assurant la cohérence et la fiabilité
• Délais d'exécution rapides et prix compétitifs
• Solutions d'usinage personnalisées adaptées aux spécifications du client
Technologie Remcor-Votre partenaire dans le CNC Swiss Lathe Excellence
Que vous ayez besoin de composants de haute précision pour les dispositifs médicaux, les assemblages aérospatiaux, les systèmes automobiles ou les connecteurs électroniques, les services de tour suisse CNC de Remcor Technology offrent la précision, l'efficacité et la fiabilité de votre projet.
En combinant la technologie suisse CNC de pointe avec des décennies d'expérience dans la fabrication, Remcor Technology se distingue comme un partenaire de confiance pour tous vos besoins d'usinage de précision.