WUHAN REMCOR TECHNOLOGY CO., LTD.
WUHAN REMCOR TECHNOLOGY CO., LTD.

SA-203/263 3 axes Caractéristiques du tour


1. La structure de la machine et le module de broche principal s'appliquent avec la fonte Meehanite avec une conception de nervure à haute rigidité. Toute la structure est coulée en une seule fois et traitée pour éliminer le stress. De sorte que assurer la précision pour une utilisation de longue date

2. haute précision, haute efficacité

La tolérance de traitement est de ± 0.003mm, l'efficacité plus élevée qui est conduite par le nouveau contrôleur et le nouveau moteur, raccourcit le temps de traitement

3. excellente capacité de traitement universelle

Les excellents outils de coupe assurent les performances de traitement et augmentent la satisfaction du client

4. large gamme de traitement des matériaux

Bon pour traiter une variété de matériaux, y compris l'acier inoxydable, l'alliage d'aluminium, le cuivre, l'alliage de titane, adapté aux scénarios d'application dans différents domaines.




Vidéo de traitement typique de SA-203/263 tour à 3 axes




SA-203/263 3 Axe Lathe Paramètre Détails


Article

SA263

SA203

Diamètre d'usinage maximum

Φ 26mm

Φ 20mm

Coup de tête max

Guidage standard

255mm

255mm

Douille sans guidage

2.5D

2.5D

Outil de tournage

Quantité d'outils

6pcs

6pcs

Spécifications de l'outil

□ 12mm

□ 12mm

Porte-outil de visage

Quantité d'outils

Travail frontal-end

5 pcs

Arrière-extrémité de travail

2 pcs(Max. 5 pcs)

Max. forage

Outils fixes

Φ 10mm

Max. tapotement

Outils de fixation

M8 * P1.25

Unité d'outil croisé

Quantité d'outils

5 pcs

Spécifications de l'outil

ER16

Perçage maximal

Φ 8mm(ER16)

Tapping maximum

M6 * P1.0(ER16

Fraisage maximum

Φ 10mm

Fraisage maximal

Largeur 1.5, profondeur 4mm

Vitesse de broche

ER16

6,000min-1

Puissance d'entraînement

1Kw

Vitesse de déplacement rapide

Z1

32 m/min

X1

32 m/min

Y1

32 m/min

Broche principale Max. Vitesse

10,000min-1 (7,000min-1G.B.)

Angle d'indexation de la broche principale

Contrôle de l'axe C (0.001 °)

Puissance de la broche principale

2.2/3.7kw

Broche principale Diamètre du trou à travers

Φ 27mm

Capacité de liquide de refroidissement

170L

Puissance moteur de refroidissement

0.4kw

Dimensions globales (longueur * largeur * hauteur)

1900*1300*1780mm

Poids de la machine

2000kg


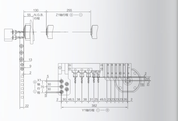
Coup d'usinage

Machining_Stroke_01.png 

 





Entrez en contact avec REMCOR maintenant!

N'hésitez pas à nous appeler ou à déposer un message si vous avez des questions.

Contactez-nous